
清空记录
历史记录
取消
清空记录
历史记录

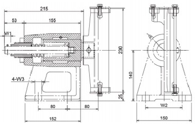
技术参数
Technical parameters
· 额 定 速 度RATED SPEED:≤2.5m/s
· 适用导轨宽
GUIDE RAIL:15.88mm 16mm
· 适用于轿厢侧
APPLICABLE TO THE CAR SIDE
型号TYPE | W1 | W2 | W3 | 备注COMMENTS |
G01 | 23 | 100 | 019 | 18K24K |
G02 | 26 | 100 | 019 | 18K24K含支架 |

技术参数
Technical parameters
· 额 定 速 度RATED SPEED:≤2.5m/s
· 适用导轨宽
GUIDE RAIL:15.88mm 16mm
· 适用于轿厢侧
APPLICABLE TO THE CAR SIDE
型号TYPE | W1 | W2 | W3 | 备注COMMENTS |
G01 | 23 | 100 | 019 | 18K24K |
G02 | 26 | 100 | 019 | 18K24K含支架 |

